想了解設備資料?報價?售后?請留言,速回電
廠家直銷,留言立享本月優惠價免費提供環保政策、辦廠手續、投資預算等資料
本文主要介紹了雷蒙磨分級機的調整要點,分級機的控制,分級機的轉速指示調整,分級機常見故障及排除。
(3).jpg)
1. 調整要點
分級機在風量、風壓一定的情況下,其轉速快慢決定分級機分級的粒徑大小 ,設備中采用YZT2型電磁調速異步電機傳動,該電機由標準定型電機、測速發電機與電磁轉差聯合器組成,只要改變電磁聯合器的電壓,就能達到改變轉速的要求。
2. 分級機的控制
分級機的控制,是由安裝在控制柜門上的電磁滑差控制器與分級機的控制按鈕來控制。開機時先按分級機起動按鈕,使籠型電機部分首先運轉,然后合上電磁滑差控制器電源開關,調節轉速按鈕,使分析機達到所要求的轉速。
3. 分級機的轉速指示調整
由于電磁調速電機的測速發電機每臺特性不一致,使之實際轉速與控制器上所指示的轉速有較大差異,需自行調整,首先用轉速表測出電機的實際轉速,然后通過調節控制器面板上的"轉速表校正"的電位器,使實際轉速與指示儀表轉速相吻合,經過調整后,磨機生產的粉料的粒度,其相對應的轉速指示,即為分級機的實際轉速(應注意在調試電機與分析機時應連接后開機)。
4. 常見故障及排除
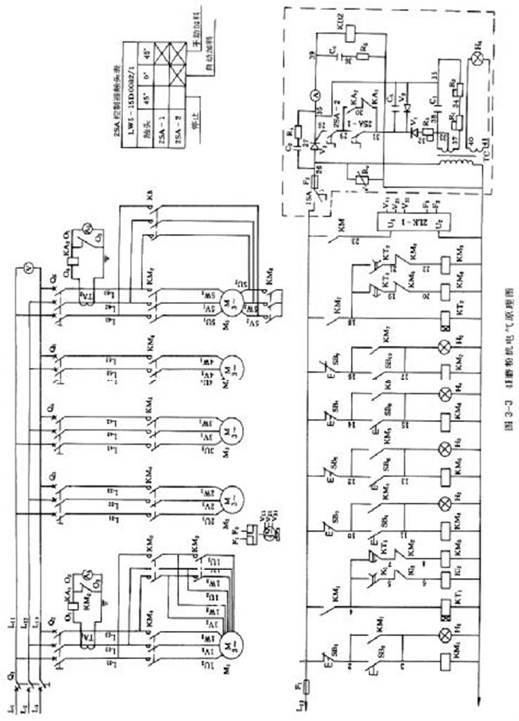
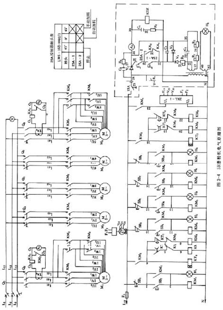
電機、電磁振動給料機及分級機的常見故障及排除方法見表3-1,3R、4R 和 5R磨粉機電氣原理分別見圖3-2、圖3-3和圖3-4。
表 3-1 常見故障及排除方法
| 發生故障部位 | 故障現象 | 故障原因 | 排除方法 |
| 定子9個出線頭電機 | 電機不能起動或僅能低速運轉 | (1)電器箱故障 (2)電線接線錯接 | (1)查清電器箱內有關電機起動元件接線,排除故障 (2)檢查電機與電氣控制柜的接線,對號接線 |
| 電磁振動給料機 | 振動微弱,調節振幅電 位器作用不大或不起作 用 | (1)振動器控制箱有故障 (2)氣隙中有異物 (3)固定連叉螺釘未松開 | (1)排除電器箱故障,特別檢查R2、R3電阻器可動接點接觸是否良好及檢查輸出電壓 (2)清除異物 (3)松開螺釘(在振動器部位) |
| 電磁振動給料器 | 接通電源后,機器不振動 | (1)保險絲斷 (2)線圈損壞 (3)接線斷路 | (1)更換新保險絲 (2)修復或更換線圈 (3)接通線路 |
| 機器輸送物料時振幅下降太大 | 料倉接口設計使料槽壓倉太大,或料太濕 | 重新設計料倉接口,減少料倉對槽體壓力,或對物料進行烘干處理 | |
| 分級機 | 離合器轉速不能調節,僅能在高速運轉 | (1)滑差電機空載 (2)速度反饋電位器調亂 | (1)加上負載,電機與分析機皮帶應聯接后試車(負載應大于10%的額定轉矩; (2)按轉差控制器說明書有關章節,轉動控制器上"反饋量調節"電位器,調到滿足要求 |
| 離合器只能在低速運轉不能升速 | 一般反饋電位器調孔反饋量過大 | 按轉差控制器說明書有關章節調節,減少反饋量 |


分級機價格詳細垂詢:0371-67772626
分級機廠家地址:鄭州-國家高新技術產業開發區檀香路8號
想了解設備資料?報價?售后?請留言,速回電
廠家直銷,留言立享本月優惠價免費提供環保政策、辦廠手續、投資預算等資料
3分鐘前 高先生:時產200噸制砂機報個價,處理鵝卵石
8分鐘前 李先生:移動式破碎機怎么解決粉塵問題?
13分鐘前 徐女士:需要制砂機,南寧能看制砂現場嗎?
16分鐘前 程先生:破碎生產線出個方案及報價,有什么售后服務?
22分鐘前 鄭女士:想了解時產500噸錘破,加工石灰石
31分鐘前 吳先生:成套石頭破碎設備有嗎?給個詳細產品資料
36分鐘前 羅先生:每小時100噸左右的鄂破和反擊破,推薦下型號
42分鐘前 梁先生:膨潤土磨到200目,用什么磨粉設備?
提交留言我們會第一時間回復您!
在浮選過程中,礦漿的pH值是必須要考慮的因素,因為它對浮選指標有很大的影響,對礦漿pH值的控制通常有兩種方法:定值調節和跟蹤礦石性質的變化及時調節pH值。
2012-12-11石膏烘干機的三個分區的控制方式相同,調整過程也相同,因此我們在此只給大家講述一區的調整控制方式。但是原有的PID控制不能滿足石膏烘干機溫度控制全自動化的實現。
2012-11-05通過對分級機內壓力影響分級粒徑的理論分析和部分測量,壓力對分級粒徑的影響不大,濃度對分級精度的影響在初階段時比較明顯,當濃度穩定后,對分級精度的影響也趨于穩定。
2012-09-06球磨機的人機界面也被稱作用戶界面、它是交互式應用軟件系統的門面。設計球磨機用戶界面要充分考慮人的因素、界面的風格,可用的軟、硬件技術以及應用本身產生的影響。人機界面的設計應該遵循一定的原則。
2012-07-07分級輪是分級機的核心組成部件,該部件對于物料的分散、分級起著非常關鍵的作用。在分級過程中,在分級輪的周圍將會形成高速旋轉的氣一固混合兩相流。
2012-07-02在轉筒烘干機的安裝與調整工作中要注意一下四個問題:筒體安裝后傾斜度合乎要求、托輪安裝要保證軸線與筒體中心線斜度相同、大齒輪安裝應在筒體安裝就位后進行和筒體竄動的調整
2012-04-09